AHA-GYP-00
Recessed Access Door with Drywall Bead Flange
allen hex head operated cam latch, piano hinge
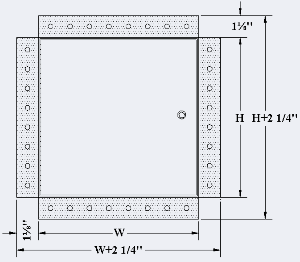
Designed with a drywall bead flange and a 5/8" recessed door, the panel will accept a drywall insert in order to blend in with the surface finish.
Technical specifications and dimensions
- Material
16 gauge cold rolled steel
- Hinge
Continous piano hinge. Hinge location: Hinges must be located on the second dimension (height).
- Locking mechanism
Allen hex head cam latch. Requires a standard allen key to open the access door
- Flange
22-gauge galvanized steel, 1 ⅛" drywall bead flange
- Frame
1 5/8 " in depth, made of cold rolled steel
- Rough opening
Door sizes + ¼ " or + 6mm
- Finish
High quality white powder coat primer
- Packaging
Individually wrapped, 1 door per box
| Dimensions (Inches) | Dimensions (Millimeters) | Weight (LBS) | Weight (KG) | Number of locks |
|---|---|---|---|---|
| * 8 X 8 | 203 X 203 | 3.6 | 1.6 | 1 |
| * 12 X 12 | 304 X 304 | 6.2 | 2.8 | 1 |
| * 16 X 16 | 406 X 406 | 9.2 | 4.2 | 1 |
| * 18 X 18 | 457 X 457 | 11.1 | 5.0 | 1 |
| * 24 X 24 | 609 X 609 | 18.2 | 8.3 | 1 |
Technical drawings
Technical documentation
- Technical data sheet
- LEED
- MasterSpec
- Object BIM/REVIT
Availability
We maintain an inventory of over 42 popular sizes of access panels in our warehouses across North America, ready for next-day delivery or pickup. Refer to the size chart labels to check availability. If not in stock, we can manufacture it in 5 business days.
- Stocked in Montreal
- Stocked in Montreal & USA
- Not in stock. 5 days lead-time.
| Dimensions | Product SKU |
|---|---|
| 8 X 8 | AHA-GYP-08X08-00 |
| 12 X 12 | AHA-GYP-12X12-00 |
| 16 X 16 | AHA-GYP-16X16-00 |
| 18 X 18 | AHA-GYP-18X18-00 |
| 24 X 24 | AHA-GYP-24X24-00 |
Recommended products
-
Back to all products
EDG-GYP-00
Flush Removable Access Door with Drywall Bead Flange
concealed push latch, spring hinge
Designed for a more elegant yet economical solution, this access door is equipped with removable hinges and concealed push-to-close latches.
VIEW PRODUCT -
Back to all products
GFRG-PUR-00
Fiberglass-Reinforced Gypsum Access Door
gravity-operated closing, removable door, rounded corners
Gypsum-based material blends in perfectly with drywall surface once painted. The GFRG is specially designed with rounded corners for a smooth finish.
VIEW PRODUCT



