MDS-35
Medium-Security Flush Universal Access Door with Exposed Flange
screwdriver-operated cam latch, piano hinge
Built with thicker steel and equipped with a continuous piano hinge and a screwdriver-operated cam latch, this access door is designed for a medium level of security. Requires a screwdriver to open the panel.
Technical specifications and dimensions
- Material
14 gauge galvanneal steel
- Hinge
Continuous piano hinge. Hinge location: Hinges must be located on the second dimension (height).
- Locking mechanism
Screwdriver-operated cam latch in cold rolled steel
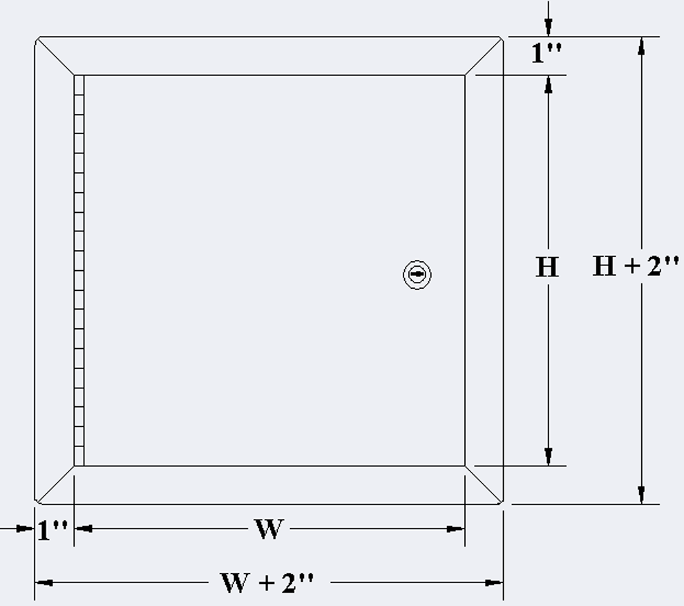
- Flange
1" exposed flange
- Frame
1½ " in depth, made galvanized steel
- Rough opening
Door sizes + ¼" or + 6mm
- Finish
High quality white powder coat primer
- Packaging
Individually wrapped, 1 door per box
| Dimensions (Inches) | Dimensions (Millimeters) | Weight (LBS) | Weight (KG) | Number of locks |
|---|---|---|---|---|
| * 12 x 12 | 304 x 304 | 6.7 | 3.0 | 1 screwdriver-operated cam latch |
| * 16 x 16 | 406 x 406 | 10.2 | 4.6 | 1 screwdriver-operated cam latch |
| * 18 x 18 | 457 x 457 | 12.4 | 5.6 | 1 screwdriver-operated cam latch |
| * 24 x 24 | 609 x 609 | 19.8 | 9.0 | 1 screwdriver-operated cam latch |
| * 24 x 30 | 609 x 762 | 24.8 | 11.2 | 1 screwdriver-operated cam latch & 1 key-operated cam latch |
| * 24 x 36 | 609 x 914 | 28.0 | 12.7 | 1 screwdriver-operated cam latch & 1 key-operated cam latch |
| * 36 x 36 | 914 x 914 | 39.8 | 18.1 | 1 screwdriver-operated cam latch & 1 key-operated cam latch |
Technical drawings
Technical documentation
- Technical data sheet
- LEED
- MasterSpec
- Object BIM/REVIT
Availability
We maintain an inventory of over 42 popular sizes of access panels in our warehouses across North America, ready for next-day delivery or pickup. Refer to the size chart labels to check availability. If not in stock, we can manufacture it in 5 business days.
- Stocked in Montreal
- Stocked in Montreal & USA
- Not in stock. 5 days lead-time.
| Dimensions | Product SKU |
|---|---|
| 12 x 12 | MDS-12X12-35 |
| 16 x 16 | MDS-16X16-35 |
| 18 x 18 | MDS-18X18-35 |
| 24 x 24 | MDS-24X24-35 |
| 24 x 30 | MDS-24X30-35 |
| 24 x 36 | MDS-24X36-35 |
| 36 x 36 | MDS-36X36-35 |
Recommended products
-
Back to all products
MDS-90
Medium-Security Flush Universal Access Door with Exposed Flange
pinned hex head cam latch, piano hinge
Built with thicker steel and equipped with a continuous piano hinge and a pinned hex head cam latch, this access door is designed for a medium level security locking mechanism. Requires a pinned allen key to open the panel.
VIEW PRODUCT -
Back to all products
PHS-40
High-Security Flush Universal Access Door with Exposed Flange
mortise deadbolt lock, heavy duty butt hinge
Equipped with a heavy duty butt hinge and a mortise deadbolt lock, this access door, made of 10 gauge cold rolled steel, is designed for maximum security. Manufacturers such as Best, Corbin and Ilco produce mortise cylinders that are compatible with these types of locks.
VIEW PRODUCT




