PFI-PLY-00
Fire-Rated Insulated Access Door with Plaster Bead Flange
self-latching tool-key operated slam latch and ring operated slam latch, piano hinge
The fire rated insulated access door can be used on fire rated walls and ceilings. The plaster bead flange is not exposed once the drywall compound is applied.
Technical specifications and dimensions
- Material
20-gauge galvanneal steel door and 16-gauge cold rolled steel frame
- Hinge
Continuous piano hinge. Hinge location: Hinges must be located on the second dimension (height).
- Locking mechanism
Self-latching tool-key operated slam latch and ring operated slam latch, both included.
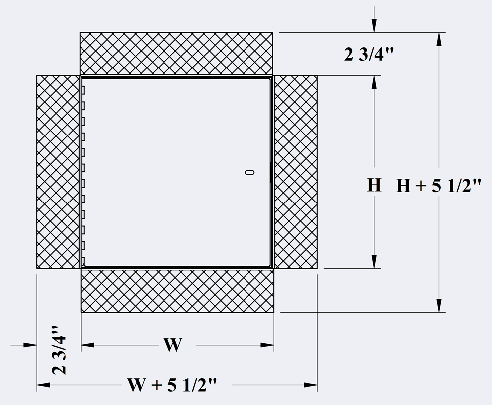
- Flange
22-gauge galvanized steel, 2 ¾" drywall bead flange
- Frame
2½ " in depth, made of cold rolled steel
- Rough opening
Door sizes + ¼" or + 6mm
- Insulation
2" thick fire rated mineral wool
- Inside panel release
Mechanisms to allow panels to open from inside, standard on all doors over 12" X 12 inches.
- Finish
High quality white powder coat primer.
- Packaging
Individually wrapped, 1 door per box.
- Fire rated access doors, for vertical use, are subject to the following:
- Vertical wall assemblies
Fire rated access doors, for vertical use, are subject to the following:
- Certification
UL 10B (2009), NFPA 252 (2012), CAN/ULC S104 (R1985), CAN/ULC S104 (2010).
- Rating Achieved
3 hours, neutral/negative pressure
- Maximum size
48" x 48" (1219mm x 1219mm), maximum area of 2304 in², tolerance on height and width limitation is more or less 3" (76mm) as long as the area does not exceed 2304 in².
- Temperature rise
250°F (121°C) after 30 minutes and 450°F (232°C) after 60 minutes.
- Vertical wall assemblies
- Fire rated access doors, for horizontal use, are subject to the following:
- Horizontal ceiling assemblies
Fire rated access doors, for horizontal use, are subject to the following:
- Certification
ASTM E119 (2012), CAN/ULC S101 (2007)
- Rating Achieved
3 hours in non-combustible construction and 1 hour in combustible construction
- Maximum size
24"X36" (610 mm X 914 mm) (hinges and latches on the side of 36"), tolerance on dimension limitations are more or less 3" (76 mm) as long as the area does not exceed 864 in².
- Temperature rise
Within allowable per ASTM E119 and CAN/ULC S101
- Horizontal ceiling assemblies
| Dimensions (Inches) | Dimensions (Millimeters) | Weight (LBS) | Weight (KG) | Number of locks |
|---|---|---|---|---|
| * 8 x 8 | 203 x 203 | 6.6 | 3.0 | 1 |
| * 10 x 10 | 254 x 254 | 8.6 | 3.9 | 1 |
| * 12 x 12 | 304 x 304 | 11.0 | 5.0 | 1 |
| * 14 x 14 | 355 x 355 | 13.4 | 6.1 | 1 |
| * 16 x 16 | 406 x 406 | 15.9 | 7.2 | 1 |
| * 18 x 18 | 457 x 457 | 18.8 | 8.5 | 1 |
| * 22 x 22 | 558 x 558 | 25.5 | 11.6 | 1 |
| * 22 x 30 | 558 x 762 | 32.1 | 14.6 | 1 |
| * 22 x 36 | 558 x 914 | 38.5 | 17.5 | 2 |
| * 24 x 24 | 609 x 609 | 28.8 | 13.1 | 1 |
| * 24 x 36 | 609 x 914 | 40.8 | 18.5 | 2 |
| * 24 x 48 | 609 x 1219 | 50.6 | 23.0 | 2 |
| * 30 x 30 | 762 x 762 | 40.6 | 18.4 | 1 |
| * 32 x 32 | 812 x 812 | 45.6 | 20.7 | 2 |
| * 36 x 36 | 914 x 914 | 54.6 | 24.7 | 2 |
| * 48 x 48 | 1219 x 1219 | 84.9 | 38.5 | 2 |
Technical drawings
Technical documentation
- Technical data sheet
- LEED
- MasterSpec
- Object BIM/REVIT
Availability
We maintain an inventory of over 42 popular sizes of access panels in our warehouses across North America, ready for next-day delivery or pickup. Refer to the size chart labels to check availability. If not in stock, we can manufacture it in 5 business days.
- Stocked in Montreal
- Stocked in Montreal & USA
- Not in stock. 5 days lead-time.
| Dimensions | Product SKU |
|---|---|
| 8 x 8 | PFI-PLY-08X08-00 |
| 10 x 10 | PFI-PLY-10X10-00 |
| 12 x 12 | PFI-PLY-12X12-00 |
| 14 x 14 | PFI-PLY-14X14-00 |
| 16 x 16 | PFI-PLY-16X16-00 |
| 18 x 18 | PFI-PLY-18X18-00 |
| 22 x 22 | PFI-PLY-22X22-00 |
| 22 x 30 | PFI-PLY-22X30-00 |
| 22 x 36 | PFI-PLY-22X36-00 |
| 24 x 24 | PFI-PLY-24X24-00 |
| 24 x 36 | PFI-PLY-24x36-00 |
| 24 x 48 | PFI-PLY-24X48-00 |
| 30 x 30 | PFI-PLY-30x30-00 |
| 32 x 32 | PFI-PLY-32X32-00 |
| 36 x 36 | PFI-PLY-36X36-00 |
| 48 x 48 | PFI-PLY-48X48-00 |
Recommended products
-
Back to all products
PFI-00
Fire-Rated Insulated Access Door with Exposed Flange
self-latching tool-key operated slam latch and ring operated slam latch
The fire-rated insulated access door can be installed on fire-rated walls and ceilings.
VIEW PRODUCT -
Back to all products
PFI-GYP-00
Fire-Rated Insulated Access Door with Drywall Bead Flange
self-latching tool-key operated slam latch and ring operated slam latch, piano hinge
The fire rated insulated access door can be used on fire rated walls and ceilings. The drywall bead flange is not exposed once the drywall compound is applied.
VIEW PRODUCT





