PFN-60
Fire-Rated Uninsulated Access Door with Exposed Flange
self-latching tool-key operated slam latch and ring operated slam latch, piano hinge, gasket
The fire rated uninsulated access door can be used on fire rated walls. The gasket is used to reduce airflow between the panel and the frame.
Technical specifications and dimensions
- Material
16 gauge cold rolled steel
- Hinge
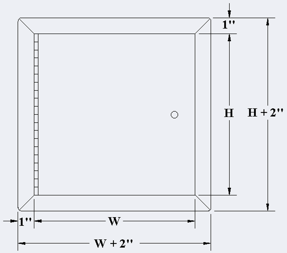
Continuous piano hinge. Hinge location: Hinges must be located on the second dimension (height).
- Locking mechanism
Self-latching tool-key operated slam latch and ring operated slam latch, both included.
- Flange
1" exposed flange
- Frame
2½ " in depth, made of cold rolled steel
- Rough opening
Door sizes + ¼" or + 6mm
- Inside panel release
Mechanisms to allow panels to open from inside, standard on all doors over 12" X 12 inches.
- Gasketing
Neoprene around perimeter of door frame
- Finish
High quality white powder coat primer.
- Packaging
Individually wrapped, 1 door per box.
- Fire rated access doors, for vertical use, are subject to the following:
- Vertical wall assemblies
Fire rated access doors, for vertical use, are subject to the following:
- Certification
UL 10B (2009), NFPA 252 (2012), CAN/ULC S104 (R1985), CAN/ULC S104 (2010).
- Rating Achieved
1-½ hours, neutral/negative pressure
- Maximum size
36" x 36" (914 mm x 914 mm), maximum area of 1296 in², tolerance on height and width limitation is more or less 3" (76mm) as long as the area does not exceed 1296 in².
- Temperature rise
No rating achieved
- Vertical wall assemblies
| Dimensions (Inches) | Dimensions (Millimeters) | Weight (LBS) | Weight (KG) | Number of locks |
|---|---|---|---|---|
| * 8 x 8 | 203 x 203 | 6.4 | 2.9 | 1 |
| * 10 x 10 | 254 x 254 | 8.2 | 3.7 | 1 |
| * 12 x 12 | 304 x 304 | 9.9 | 4.5 | 1 |
| * 14 x 14 | 355 x 355 | 11.9 | 5.4 | 1 |
| * 16 x 16 | 406 x 406 | 13.9 | 6.3 | 1 |
| * 18 x 18 | 457 x 457 | 16.2 | 7.3 | 1 |
| * 22 x 22 | 558 x 558 | 21.4 | 9.7 | 1 |
| * 22 x 30 | 558 x 762 | 26.4 | 12.0 | 1 |
| * 22 x 36 | 558 x 914 | 31.0 | 14.1 | 2 |
| * 24 x 24 | 609 x 609 | 23.9 | 10.8 | 1 |
| * 24 x 36 | 609 x 914 | 32.8 | 14.9 | 2 |
| * 30 x 30 | 762 x 762 | 33.4 | 15.1 | 1 |
| * 32 x 32 | 812 x 812 | 37.3 | 16.9 | 2 |
| * 36 x 36 | 914 x 914 | 44.0 | 20.0 | 2 |
Technical drawings
Technical documentation
- Technical data sheet
- LEED
- MasterSpec
- Object BIM/REVIT
Availability
We maintain an inventory of over 42 popular sizes of access panels in our warehouses across North America, ready for next-day delivery or pickup. Refer to the size chart labels to check availability. If not in stock, we can manufacture it in 5 business days.
- Stocked in Montreal
- Stocked in Montreal & USA
- Not in stock. 5 days lead-time.
| Dimensions | Product SKU |
|---|---|
| 8 x 8 | PFN-08X08-60 |
| 10 x 10 | PFN-10X10-60 |
| 12 x 12 | PFN-12X12-60 |
| 14 x 14 | PFN-14X14-60 |
| 16 x 16 | PFN-16X16-60 |
| 18 x 18 | PFN-18X18-60 |
| 22 x 22 | PFN-22X22-60 |
| 22 x 30 | PFN-22X30-60 |
| 22 x 36 | PFN-22X36-60 |
| 24 x 24 | PFN-24X24-60 |
| 24 x 36 | PFN-24x36-60 |
| 30 x 30 | PFN-30x30-60 |
| 32 x 32 | PFN-32X32-60 |
| 36 x 36 | PFN-36X36-60 |
Recommended products
-
Back to all products
PFI-GYP-10
Fire-Rated Insulated Access Door with Drywall Bead Flange
key operated cylinder cam latch, piano hinge
The fire rated insulated access door can be used on fire rated walls and ceilings. The key operated cam latch ensures a higher level of security and the drywall bead flange is not exposed once the drywall compound is applied.
VIEW PRODUCT -
Back to all products
PFI-60
Fire-Rated Insulated Access Door with Exposed Flange
self-latching tool-key operated slam latch and ring operated slam latch, piano hinge, gasket
The fire rated insulated access door can be installed on fire rated walls and ceilings. The gasket is used to reduce airflow between the panel and the frame.
VIEW PRODUCT




