SFM-00
Flush Universal Surface Mounted Access Door with Exposed Flange
screwdriver operated cam latch, piano hinge
The access panel sits directly on the wall and can be easily installed with fasteners on each corner.
Technical specifications and dimensions
- Material
16-gauge cold rolled steel
- Hinge
Concealed piano hinge. Hinge location: Hinges must be located on the second dimension (height).
- Locking mechanism
Screwdriver operated cam latch in cold rolled steel
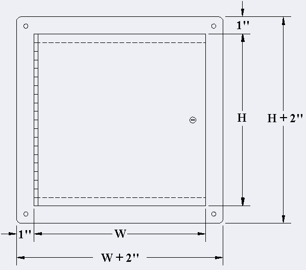
- Flange
1" exposed flange
- Frame
No frame
- Rough opening
No rough opening
- Finish
High quality white powder coat primer
- Packaging
Individually wrapped, 1 door per box
| Dimensions (Inches) | Dimensions (Millimeters) | Weight (LBS) | Weight (KG) | Number of locks |
|---|---|---|---|---|
| * 8 X 8 | 203 X 203 | 3.8 | 1.7 | 1 |
| * 12 X 12 | 305 X 305 | 6.5 | 2.9 | 1 |
| * 16 X 16 | 406 X 406 | 9.7 | 4.4 | 1 |
| * 18 X 18 | 457 X 457 | 11.7 | 5.3 | 1 |
| * 24 X 24 | 610 X 610 | 18.5 | 8.4 | 2 |
Technical drawings
Technical documentation
- Technical data sheet
- LEED
- MasterSpec
- Object BIM/REVIT
Availability
We maintain an inventory of over 42 popular sizes of access panels in our warehouses across North America, ready for next-day delivery or pickup. Refer to the size chart labels to check availability. If not in stock, we can manufacture it in 5 business days.
- Stocked in Montreal
- Stocked in Montreal & USA
- Not in stock. 5 days lead-time.
| Dimensions | Product SKU |
|---|---|
| 8 X 8 | SFM-08X08-00 |
| 12 X 12 | SFM-12X12-00 |
| 16 X 16 | SFM-16X16-00 |
| 18 X 18 | SFM-18X18-00 |
| 24 X 24 | SFM-24X24-00 |
Recommended products
-
Back to all products
FLE-00
FLEXISNAP - Flush Universal Access Door with Adjustable Frame and Magnetic Closing
concealed magnets, security cables
FlexiSnap is a magnetic access door with powerful magnets that hold the sturdy metal panel in place. The adjustable frame adapts to different openings.
VIEW PRODUCT -
Back to all products
RPL-00
Flush Universal Removable Plastic Access Door with Exposed Flange
snap friction latch
The removable plastic access panel, with UV stabilizers, is ideal for flush or surface mounting.
VIEW PRODUCT



