PFI-SS-00
Panneau d'accès isolé, homologué contre le feu en acier inoxydable avec cadre apparent
enclenchement automatique avec clé-outil et serrure à anneau incluses, penture piano
Cette porte d'accès isolée homologuée contre le feu en acier inoxydable peut être installée sur des murs et plafonds résistant au feu.
Spécifications techniques et dimensions
- Matériau
Acier inoxydable de calibre 20 pour la porte Acier inoxydable de calibre 16 pour le cadre
- Charnière
Penture piano de type continue. Emplacement charnières: Elles se situent sur la deuxième dimension (hauteur).
- Mécanisme de verrouillage
Loquet à enclenchement automatique avec clé-outil et serrure à anneau incluses
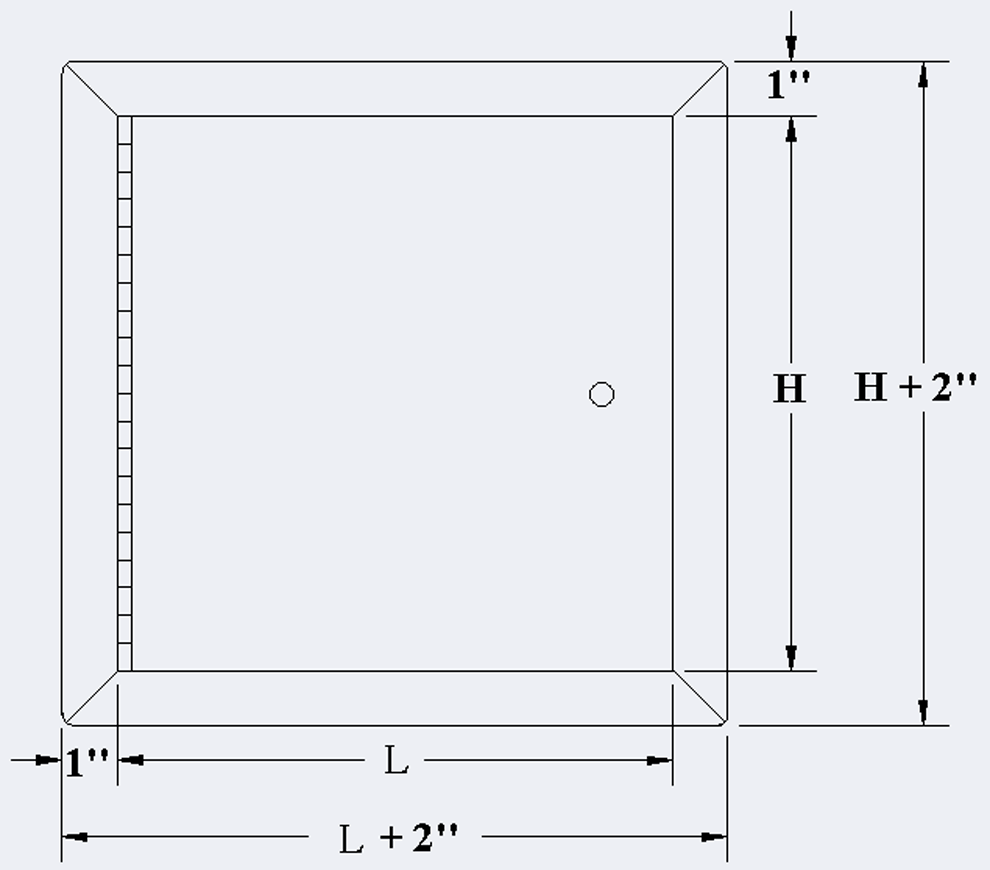
- Cadre extérieur
Cadre apparent de 1 po
- Cadre intérieur
2½ po de profondeur, fait en acier inoxydable
- Ouverture dans le mur
Dimensions de la porte + ¼ po ou + 6mm
- Isolation
2 po de laine minérale homologuée contre le feu
- Ouvre-porte intérieur
Mécanismes permettant l'ouverture des panneaux de l'intérieur, standard pour toutes les portes homologuées contre le feu de plus de 12 po X 12 po.
- Fini
Acier inoxydable #4 (fini brossé)
- Emballage
Emballé individuellement, 1 porte par boîte.
- Les portes d'accès coupe-feu, pour utilisation verticale, sont soumises aux conditions suivantes:
- Installation murale
Portes d'accès homologuées, installées à la verticale:
- Certifications
UL 10B (2009), NFPA 252 (2012), CAN/ULC S104 (R1985), CAN/ULC S104 (2010).
- Homologation
3 heures pression neutre/négative
- Dimension maximale
48 po x 48 po (1219 mm x 1219 mm) ou 2304 pc², plus ou moins 3 po (76mm) de tolérance en hauteur et en largeur à la condition que la surface maximale ne dépasse pas 2304 pc².
- Élévation de température
de 250°F (121°C) après 30 minutes et 450°F (232°C) après 60 minutes.
- Installation murale
- Les portes d'accès coupe-feu, pour utilisation horizontale, sont soumises aux conditions suivantes:
- Installation au plafond
Portes d'accès homologuées, installées à l'horizontale:
- Certifications
ASTM E119 (2012), CAN/ULC S101 (2007)
- Homologation
3 heures pour assemblage incombustible et 1 heure pour assemblage combustible.
- Dimension maximale
24” x 36” (610 mm x 914 mm) (charnière et verrouillage sur le côté de 36 po), plus ou moins 3 po (76 mm) de tolérance dimensionnelle à la condition que la surface maximale ne dépasse pas 864 pc².
- Élévation de température
Dans les limites établies par les normes ASTM E119 et CAN/ULC S101
- Installation au plafond
| Dimensions (Pouces) | Dimensions (Millimètres) | Poids (LBS) | Poids (KG) | Nombre de serrures |
|---|---|---|---|---|
| * 8 x 8 | 203 x 203 | 6,7 | 3,0 | 1 |
| * 10 x 10 | 254 x 254 | 8,7 | 4,0 | 1 |
| * 12 x 12 | 304 x 304 | 11,1 | 5,0 | 1 |
| * 14 x 14 | 355 x 355 | 13,5 | 6,1 | 1 |
| * 16 x 16 | 406 x 406 | 15,9 | 7,2 | 1 |
| * 18 x 18 | 457 x 457 | 18,8 | 8,5 | 1 |
| * 20 x 30 | 508 x 762 | 29,9 | 13,6 | 1 |
| * 22 x 22 | 558 x 558 | 25,4 | 11,5 | 1 |
| * 22 x 30 | 558 x 762 | 32,0 | 14,5 | 1 |
| * 22 x 36 | 558 x 914 | 38,3 | 17,4 | 2 |
| * 24 x 24 | 609 x 609 | 28,7 | 13,0 | 1 |
| * 24 x 36 | 609 x 914 | 40,7 | 18,5 | 2 |
| * 24 x 48 | 609 x 1219 | 50,3 | 22.8 | 2 |
| * 30 x 30 | 762 x 762 | 40,6 | 18,4 | 1 |
| * 32 x 32 | 812 x 812 | 45,6 | 20,7 | 2 |
| * 36 x 36 | 914 x 914 | 54,6 | 24,8 | 2 |
| * 48 x 48 | 1219 x 1219 | 84,7 | 38,4 | 2 |
Dessins techniques
Documentation technique
- Fiche technique
-
LEED
- Fiche Technique Environnementale – Porte d’accès homologuées, isolées, en acier (en anglais seulement)
- Éco-Déclaration validée – Portes d’accès homologuées, isolées, en acier (en anglais seulement)
- Déclaration sanitaire de produit – Portes d’accès homologuées, isolées, en acier (en anglais seulement)
- MasterSpec
- Objet BIM/REVIT
Disponibilité
Nous stockons plus de 42 dimensions populaires de panneaux d'accès dans nos entrepôts à travers toute l'Amérique du Nord, disponibles pour une livraison ou un ramassage dès le lendemain. Vérifiez les pastilles dans le tableau des dimensions pour savoir si le produit que vous recherchez est en stock. Pas en stock ? Nous pouvons le fabriquer en 5 jours ouvrables.
- En stock à Montréal
- En stock à Montréal et aux États-unis
- Pas en stock. Délai de fabrication de 5 jours
| Dimensions | Product SKU |
|---|---|
| 8 x 8 | PFI-SS-08X08-00 |
| 10 x 10 | PFI-SS-10X10-00 |
| 12 x 12 | PFI-SS-12X12-00 |
| 14 x 14 | PFI-SS-14X14-00 |
| 16 x 16 | PFI-SS-16X16-00 |
| 18 x 18 | PFI-SS-18X18-00 |
| * 20 x 30 | |
| 22 x 22 | PFI-SS-22X22-00 |
| 22 x 30 | PFI-SS-22X30-00 |
| 22 x 36 | PFI-SS-22X36-00 |
| 24 x 24 | PFI-SS-24X24-00 |
| 24 x 36 | PFI-SS-24x36-00 |
| 24 x 48 | PFI-SS-24X48-00 |
| 30 x 30 | PFI-SS-30x30-00 |
| 32 x 32 | PFI-SS-32X32-00 |
| 36 x 36 | PFI-SS-36X36-00 |
| 48 x 48 | PFI-SS-48X48-00 |
Produits recommandés
-
Retour aux produits
PFI-HS-85C
Panneau d'accès isolé, homologué contre le feu pour haute sécurité avec cadre apparent
mortaise à enclenchement automatique avec cylindre, penture piano
La porte d'accès isolée homologuée contre le feu peut être installée sur des murs et plafonds résistant au feu. Avec pêne demi-tour à mortaise cylindrique. Panneau et cadre plus robustes, assurant une sécurité accrue.
Voir le produit -
Retour aux produits
PFI-GYP-00
Panneau d'accès isolé, homologué contre le feu, avec cadre perforé, pour gypse
enclenchement automatique avec clé-outil et serrure à anneau incluses, penture piano
Porte d'accès isolée homologuée contre le feu pouvant être installée sur des murs et plafonds résistant au feu. La bride du cordon de cloison sèche n'est pas exposée après application du composé.
Voir le produit




