PFN-PLY-00
Panneau d'accès non-isolé, homologué contre le feu avec cadre treillis pour gypse
enclenchement automatique avec clé-outil et serrure à anneau incluses, penture piano
Porte d'accès non isolée résistant au feu, idéale pour murs coupe-feu. La bride du cordon de cloison sèche n'est pas exposée après application du composé.
Spécifications techniques et dimensions
- Matériau
Acier laminé à froid de calibre 16
- Charnière
Penture piano de type continue. Emplacement charnières: Elles se situent sur la deuxième dimension (hauteur).
- Mécanisme de verrouillage
Loquet à enclenchement automatique avec clé-outil et serrure à anneau incluses
- Cadre extérieur
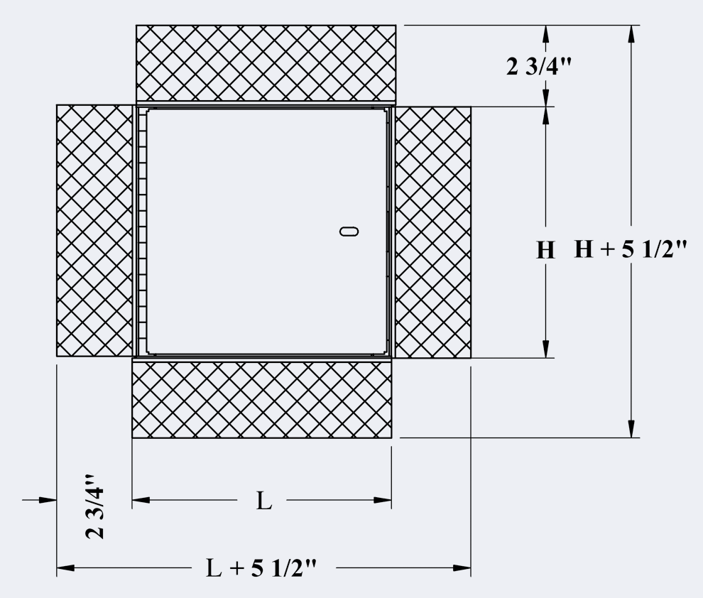
Cadre perforé pour gypse de 2 ¾ po fait en acier satiné de calibre 22
- Cadre intérieur
2½ po de profondeur, fait en acier laminé à froid
- Ouverture dans le mur
Dimensions de la porte + ¼ po ou + 6mm
- Ouvre-porte intérieur
Mécanismes permettant l'ouverture des panneaux de l'intérieur, standard pour toutes les portes homologuées contre le feu de plus de 12 po X 12 po.
- Fini
Apprêt en poudre blanche de haute qualité.
- Emballage
Emballé individuellement, 1 porte par boîte.
- Les portes d'accès coupe-feu, pour utilisation verticale, sont soumises aux conditions suivantes:
- Installation murale
Portes d'accès homologuées, installées à la verticale:
- Certifications
UL 10B (2009), NFPA 252 (2012), CAN/ULC S104 (R1985), CAN/ULC S104 (2010).
- Homologation
1-½ heures pression neutre/négative
- Dimension maximale
36 po x 36 po (914 mm x 914 mm) ou 1296 pc², plus ou moins 3 po (76mm) de tolérance en hauteur et en largeur à la condition que la surface maximale ne dépasse pas 1296 pc².
- Élévation de température
Aucune homologation obtenue
- Installation murale
| Dimensions (Pouces) | Dimensions (Millimètres) | Poids (LBS) | Poids (KG) | Nombre de serrures |
|---|---|---|---|---|
| * 8 x 8 | 203 x 203 | 6,0 | 2,7 | 1 |
| * 10 x 10 | 254 x 254 | 7,6 | 3,4 | 1 |
| * 12 x 12 | 304 x 304 | 9,3 | 4,2 | 1 |
| * 14 x 14 | 355 x 355 | 11,3 | 5,1 | 1 |
| * 16 x 16 | 406 x 406 | 13,2 | 6,0 | 1 |
| * 18 x 18 | 457 x 457 | 15,5 | 7,0 | 1 |
| * 22 x 22 | 558 x 558 | 20,4 | 9,3 | 1 |
| * 22 x 30 | 558 x 762 | 25,4 | 11,5 | 1 |
| * 22 x 36 | 558 x 914 | 30,0 | 13,6 | 2 |
| * 24 x 24 | 609 x 609 | 22,9 | 10,4 | 1 |
| * 24 x 36 | 609 x 914 | 31,7 | 14,4 | 2 |
| * 30 x 30 | 762 x 762 | 32,1 | 14,6 | 1 |
| * 32 x 32 | 812 x 812 | 35,9 | 16,3 | 2 |
| * 36 x 36 | 914 x 914 | 42,4 | 19,2 | 2 |
Dessins techniques
Documentation technique
- Fiche technique
- LEED
- MasterSpec
- Objet BIM/REVIT
Disponibilité
Nous stockons plus de 42 dimensions populaires de panneaux d'accès dans nos entrepôts à travers toute l'Amérique du Nord, disponibles pour une livraison ou un ramassage dès le lendemain. Vérifiez les pastilles dans le tableau des dimensions pour savoir si le produit que vous recherchez est en stock. Pas en stock ? Nous pouvons le fabriquer en 5 jours ouvrables.
- En stock à Montréal
- En stock à Montréal et aux États-unis
- Pas en stock. Délai de fabrication de 5 jours
| Dimensions | Product SKU |
|---|---|
| 8 x 8 | PFN-PLY-08X08-00 |
| 10 x 10 | PFN-PLY-10X10-00 |
| 12 x 12 | PFN-PLY-12X12-00 |
| 14 x 14 | PFN-PLY-14X14-00 |
| 16 x 16 | PFN-PLY-16X16-00 |
| 18 x 18 | PFN-PLY-18X18-00 |
| 22 x 22 | PFN-PLY-22X22-00 |
| 22 x 30 | PFN-PLY-22X30-00 |
| 22 x 36 | PFN-PLY-22X36-00 |
| 24 x 24 | PFN-PLY-24X24-00 |
| 24 x 36 | PFN-PLY-24x36-00 |
| 30 x 30 | PFN-PLY-30X30-00 |
| 32 x 32 | PFN-PLY-32X32-00 |
| 36 x 36 | PFN-PLY-36X36-00 |
Produits recommandés
-
Retour aux produits
PFI-10
Panneau d'accès isolé, homologué contre le feu avec cadre apparent
barillet à clé, penture piano
La porte d'accès isolée homologuée contre le feu peut être installée sur des séparations et plafonds résistant au feu. Avec verrou à came actionné par clé pour plus de sécurité.
Voir le produit -
Retour aux produits
PFI-00
Panneau d'accès isolé, homologué contre le feu, avec cadre apparent
Enclenchement automatique avec clé-outil et serrure à anneau incluses
La porte d'accès isolée homologuée contre le feu peut être installée sur des murs et plafonds coupe-feu.
Voir le produit




