PPA-RE
Trappe de plancher avec retrait en aluminium avec cadre apparent
poignée amovible, penture robuste de type piano en aluminium
Grâce à son panneau avec retrait, cette trappe de plancher en aluminium assure un accès fiable et sécuritaire entre les planchers de l'immeuble. La porte peut supporter 300 livres par pieds carrée.
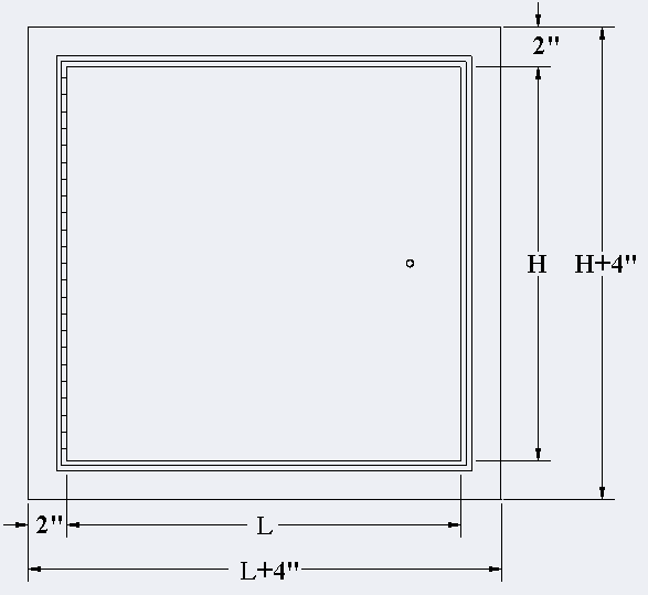
Spécifications techniques et dimensions
- Matériau
Plaque en aluminium de ¼ po
- Charnière
Penture piano de type en aluminium, 0.08 po. Emplacement charnières: Elles se situent sur la deuxième dimension (hauteur).
- Mécanisme de verrouillage
Poignée amovible de 4 po pour trappes de plancher
- Cadre extérieur
Cadre apparent de 2 po. Type de retrait: 11/16 po, 1/4 po, 1/2 po, 5/8 po, 3/4 po, 1/8 po, 3/16 po et 3/8 po.
- Cadre intérieur
Angle en aluminium de 2po x 2po x ¼po
- Ouverture dans le mur
Dimensions de la porte + ½ po ou + 13mm
- Fini
Pas de finition
- Emballage
Emballé individuellement, 1 porte par boîte.
- Composants
Cylindre à gaz pour les portes excédant 24 X 24. Cependant, cette exception varie en fonction du type de retrait.
| Dimensions (Pouces) | Dimensions (Millimètres) | Poids (LBS) | Poids (KG) | Nombre de serrures |
|---|---|---|---|---|
| * 24 x 24 | 609 x 609 | 37,6 | 17,1 | 1 |
| * 24 x 36 | 609 x 914 | 50,4 | 22,9 | 1 |
Dessins techniques
Documentation technique
- Fiche technique
- MasterSpec
- Objet BIM/REVIT
Disponibilité
Nous stockons plus de 42 dimensions populaires de panneaux d'accès dans nos entrepôts à travers toute l'Amérique du Nord, disponibles pour une livraison ou un ramassage dès le lendemain. Vérifiez les pastilles dans le tableau des dimensions pour savoir si le produit que vous recherchez est en stock. Pas en stock ? Nous pouvons le fabriquer en 10 jours ouvrables.
- En stock à Montréal
- En stock à Montréal et aux États-unis
- Pas en stock. Délai de fabrication de 10 jours
| Dimensions | Product SKU |
|---|---|
| 24 x 24 | PPA-RE-24X24-00 |
| 24 x 36 | PPA-RE-24X36-00 |
Produits recommandés
-
Retour aux produits
PPA-00
Trappe de plancher en aluminium avec cadre apparent
poignée encastrée, penture robuste de type piano en aluminium
Cette trappe de plancher en aluminium offre un accès fiable et sécuritaire entre les planchers de l'immeuble. La porte peut supporter 300 livres par pieds carrée.
Voir le produit -
Retour aux produits
PPA-100K
Trappe de plancher en aluminium avec cadre apparent
poignée encastrée à clé, penture robuste de type piano en aluminium
Trappe de plancher en aluminium assurant un accès sûr et sécuritaire entre les planchers de l'immeuble. Avec loquet à came à poignée encastrée actionné par clé. La porte peut supporter 300 livres par pieds carrée.
Voir le produit

